

FPC連接器0.5K-AX-nPWB產品簡介
產品名稱及型號
產品名稱:0.5mm FPC (A 型)下接
產品型號:0.5K-AX-nPWB
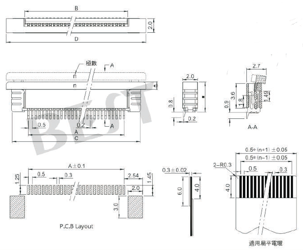
0.5間距fpc連接器0.5K-AX-nPWB外觀形狀、寸法及材質
主體:LCP
鎖扣:PA46 / LCP
端子:磷銅C5191
:磷銅C5191
(備注:金屬表面鍍錫/鍍金”,當PIN 數為30PIN 以下時,鎖扣材質為PA46,當PIN 數為30PIN 以上時,鎖扣材質為LCP.)
與0.5K-AS-nPWB的區別,就一個上接,一個下接。
FPC連接器0.5K-AX-nPWB技術參數
適用范圍
本規格書適用于:0.5 間距電纜連接器(下接)
fpc連接器0.5K-AX-nPWB定格
最大容許電壓:50V,(AC/DC(有效值):50Hz)
最大容許電流:0.4A,(AC/DC(有效值):50Hz)
AC/DC(有效值):50Hz
使用溫度范圍:-25℃ ~ +85℃
0.5間距fpc連接器0.5K-AX-nPWB電氣性能
接觸電阻:適合FPC/FFC 嵌合;開放電壓20mV 以下;短路電流10mA 的狀態下測定。2 0 mΩ MAX
絕緣電阻:適合FPC/FFC 嵌合;相鄰端子間或端子與地面間加DC 500V 下測定。500MΩMIN
耐電壓:適合FPC/FFC 嵌合;相鄰端子間或端子與地面間加AC 200V(有效值)歷時1 分鐘下測定。無擊穿現象
0.5間距fpc連接器0.5K-AX-nPWB機械性能
鎖緊力及拔出力:適合0.3mm 厚的FFC;用每分鐘25±3mm的速度;平行地插入、鎖緊、拔出。
鎖緊力:1.96*n (N) MAX,拔出力:0.49*n (N) MIN
端子保持力:以用每分鐘25±3mm 的速度平行向外拉。3.92N MIN
0.5間距fpc連接器0.5K-AX-nPWB的環境和其他性能(外觀均無損壞)
重復插拔:無通電狀態;以10 次/分鐘的速度插拔20 次。接觸抵抗:60 mΩMAX
溫度上升:適合FPC/FFC 嵌合;最大容許電流通電,溫度測定。(UL 498),30 ℃MAX
耐振動性:DC 1mA 通電狀態下;嵌合軸沿XYZ三個方向振動;振幅1.5mm; 頻率10-55-10Hz/分;歷時2 小時。接觸抵抗:60 mΩMAX;瞬斷:1 ms MAX
耐沖擊性:DC 1mA 通電狀態下;嵌合軸沿相互垂直的6 個方向;以490m/s2{50G}沖擊;各3 次。瞬斷:1 ms MAX
耐熱性:適合FPC/FFC 嵌合;85±2℃的空氣中;放置96 小時;再回到室溫中放置1-2小時。接觸抵抗:60 mΩMAX
耐濕性:適合FPC/FFC 嵌合;40±2℃、相對濕度90-95%的空氣中;放置96 小時;再回到室溫中0.5 小時內測定。接觸抵抗:60 mΩMAX。絕緣抵抗:20 MΩMIN
溫度循環:適合FPC/FFC 嵌合;-55±3℃ 30 分鐘;常溫常濕 10-15 分鐘;85±2℃ 30 分鐘;常溫常濕 10-15 分鐘,循環5 次。接觸抵抗:60 mΩMAX
耐鹽霧性:適合FPC/FFC 嵌合;35±2℃、5±1%的鹽水噴霧8 小時;試驗后常溫水洗;再室溫干燥。接觸抵抗:60 mΩMAX
耐亞硫酸:適合FPC/FFC 嵌合;40±2℃、50±5ppm 的亞硫酸中放置24 小時。接觸抵抗:60 mΩMAX
可焊性:端子前端基準面0.2mm 處浸入245±5℃的錫槽中;歷時2±0.5 sec。沾敷性:沾敷面積95%以上.
耐焊接熱:在245±5℃熱風爐中經30±5sec 條件下,至少進行5 次。
FPC連接器0.5K-AX-nPWB參考圖紙



Copyright © 廣東精密龍電子科技有限公司 版權所有 粵ICP備17035144號 粵公網安備44130202001184號
全國服務電話:0755-83205533 傳真:0755-83761155
公司地址:深圳市龍崗區龍崗大道8288號深圳大運軟件小鎮45棟2樓

