
目前一般輕觸開關的常規尺寸區分有:12x12、8x8、6x6輕觸開關、4x4輕觸開關等類型,而且對于規格尺寸不同的開關,不管是針對于功能特性的差異,還是應用的場景用途都是有所不同的。因此通常在開關的挑選上,請勿隨便盲目的去選購開關,從而很容易會造成購買到不適用的開關。那下面接著主要給大伙解說關于常用幾款的4x4輕觸開關規格產品介紹。
產品簡介:
輕觸開關TS-1187為一種貼片型輕觸開關,目前一般被廣泛稱為“4x4貼片輕觸開關”,其開關規格尺寸為4x4mm,開關的蓋頭類型上區分有塑膠方蓋、圓蓋等規格,此款輕觸開關TS-1187的包裝類型上還分區分有:編帶包裝、膠帶包裝等封裝形式,用戶可依據自身的需求選擇。
技術參數:
絕緣電阻:≥100MΩ
環境溫度:-20度~ 70度
保存溫度:-30度-80度
接觸電阻:≤100Ω
額定電負荷:DC12V 50MA
耐電壓:AC250V.50HZ/1min
行程:0.2mm±0.05mm
回復力:50GF min
驅動力:250±30GF/160±30GF
輕觸開關壽命:100000次
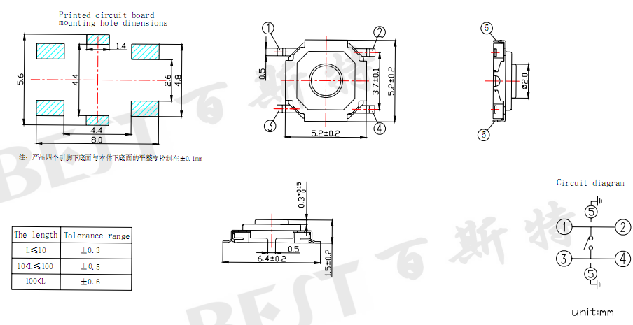
輕觸開關TS-1187參考圖紙

產品簡介:
輕觸開關TS-1187C為一種貼片式輕觸開關,其開關規格尺寸為4x4,一般對于類型上的包裝可分為編帶包裝和膠帶包裝等兩種封裝。此款輕觸開關TS-1187C可以過回流焊接,安裝上可高密度貼裝和表面貼裝。目前輕觸開關TS-1187C多數都是應用于:數碼設備,安防產品,電子玩具,通訊器材,音響設備、家用電器等產品上使用。
技術參數:
額定電負荷:DC12V 50MA
接觸電阻:≤50MΩ
環境溫度:-20度~ 70度
保存溫度:-30度-80度
絕緣電阻:≥100MΩ
耐電壓:AC250V.50HZ/1min
驅動力:260±50GF
行程:0.2mm±0.05mm
回復力:50GF min
輕觸開關壽命:300000次
輕觸開關TS-1187C參考圖紙

上述關于常用幾款的4x4輕觸開關規格產品介紹大概就講述到這,其次在挑選4x4輕觸開關規格上,請注意了解核實清楚該開關的規格尺寸是否符合自身的需求使用。因為一般開關的規格尺寸有可能存在一些的誤差的,如有些誤差區分規格有:4.2x4.2、4.5x4.5等。而且還有對于輕觸開關的各項規格參數,也請注意了解清楚是否符合要求使用。

Copyright © 廣東精密龍電子科技有限公司 版權所有 粵ICP備17035144號 粵公網安備44130202001184號
全國服務電話:0755-83205533 傳真:0755-83761155
公司地址:深圳市龍崗區龍崗大道8288號深圳大運軟件小鎮45棟2樓

