
目前開關元件的分類產品是非常多的,例如在家電領域使用最廣泛的有貼片輕觸開關6*6系列、防水輕觸開關4*4系列、直插按鍵開關8*8系列等規格。以貼片輕觸開關6*6來說,一般這每款類型不同的開關,其產品后置所區分的功能特性也是有所差異不同的,所以各位一般對于在選用開關的時候,請注意不能亂去應用產品。下面帶大伙一起來了解關于貼片輕觸開關6*6有什么性能特點以及應用范圍等解說。
輕觸開關TS-1109C

產品簡介:
TS-1109C是6*6輕觸開關,是邊兩腳輕觸開關,高度有4.3/5/5.5-8,輕觸開關TS-1109C力度有100g/120g/160g/250g四種,一般可根據用戶的需求定做。輕觸開關TS-1109C的包裝方式是袋裝1000PCS/包。注:輕觸開關TS-1109C由于材質不耐高溫,安裝方式上不能過回流焊,一般需要手工焊接。
技術參數:
使用范圍溫度:-20℃~70℃
保存溫度范圍:-30℃~80℃
額定值:DC 12V 50mA
接觸電阻:≤30mΩ
絕緣電阻:≥100 MΩ
輕觸開關TS-1109C參考圖紙

輕觸開關TS-1109K

產品簡介:
輕觸開關TS-1109K,是一款帶防水功能的輕觸開關,它的長寬尺寸為:6*6*,高度有4.3-14mm,依客戶要求定做。TS-1109K輕觸開關的動作力度:160g/250g兩種;包裝方式:袋裝1000pcs/包。TS-1109K防水輕觸開關適用于具有防水防塵要求的電子電器按鍵、電子化的各種音響設備、測量儀器、平板電腦、家用電器、數碼產品、通訊設備、錄像機等產品使用。
技術參數:
使用范圍溫度:-20℃~70℃
保存溫度范圍:-30℃~80℃
額定值:DC 12V 50mA
接觸電阻:≤30mΩ
絕緣電阻:≥100 MΩ
輕觸開關TS-1109K參考圖紙

輕觸開關TS-1157

產品簡介:
貼片輕觸開關TS-1157是6*6五腳貼片,基座厚度2.0,高度有2.5、2.7、3.1、3.7、5.1,按鍵力度160g、250g,按鍵顏色有黑底,白頭、黑頭、紅頭,包裝方式:袋裝(1000PC包),卷裝、編帶(1500PCS/盤)。
注:為了防止開關端子部變色,請不要在高溫、高濕環境或者陽光直射的場所,以及有腐蝕性氣體的環境中保存。
技術參數:
使用范圍溫度:-20℃~70℃
保存溫度范圍:-30℃~80℃
額定值:DC 12V 50mA
接觸電阻:≤50mΩ
絕緣電阻:≥100 MΩ
輕觸開關TS-1157參考圖紙

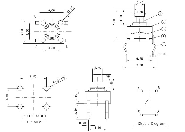
輕觸開關TS-1109B

產品簡介:
輕觸開關TS-1109B是6*6*7.3輕觸開關,高度是固定的,按鍵頭尺寸是2.4*2.4,輕觸開關TS-1109B按鍵力度有160g/250g四種。此款輕觸開關TS-1109B屬于環保型開關材質,包裝方式:袋裝(1000PCS/包).
注意:輕觸開關TS-1109B柄不耐高溫,只能用手工焊接的方式與波峰焊。
技術參數:
使用范圍溫度:-20℃~70℃
保存溫度范圍:-30℃~80℃
額定值:DC 12V 50mA
接觸電阻:≤30mΩ
絕緣電阻:≥100 MΩ
輕觸開關TS-1109B參考圖紙

由于常規貼片輕觸開關6*6系列產品區分眾多,關于時間的關系,小編就不一一介紹了。其次提及下關于開關的價格問題,想必也是多數的用戶比較去關注的產品訊息吧。例如貼片輕觸開關6*6系列,一般注意即使是同款的規格產品,但是其產品的材質不同,后置涉及開關的標價也是有所不同的。如目前常規的開關材質有區分耐高溫、不耐高溫,還有開關的彈片材質分類較多等類型。所以對開關的選型上注意不要亂去購買,一般還是請用戶根據自身的需求來選擇。

Copyright © 廣東精密龍電子科技有限公司 版權所有 粵ICP備17035144號 粵公網安備44130202001184號
全國服務電話:0755-83205533 傳真:0755-83761155
公司地址:深圳市龍崗區龍崗大道8288號深圳大運軟件小鎮45棟2樓

